- Badeværelsesindretning
- Have & udendørs miljø
- Værktøj & redskaber
- Døre og porte
- Drivhuse
- Sport & fritid
- Projektuger: Aktiv fritid
- Skure & hytter i sæt
- Projektuger: Have og udemiljø
- Træningsudstyr
- Lagerrydning
- Vinduer
- Hjem & indretning
- Projektuger: Terrasse- og havemøbler
- Hus & byg
- Bil & garage
- Tilbud
- Nyheder
- Outlet
- Alle produkter
- Varemærker
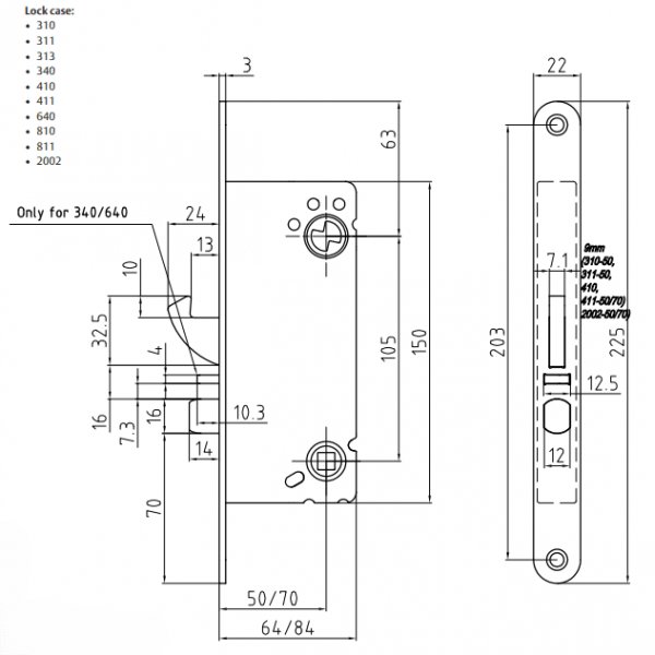
Låsehus ASSA ABLOY 2002-50 - Venstre
Produktbeskrivelse:
Låshus 2002 er en del af ASSA ABLOY Connect-serien og er en certificeret krog-og-løkkelås med trykfald, specielt designet til indgangsdøre i boliger som villaer, lejligheder og servicerede bygninger. Med sin robuste konstruktion og moderne funktionalitet tilbyder Låshus 2002 optimal sikkerhed og brugervenlighed til forskellige typer boligsektorer.
Låsehus 2002 kan låses og låses op med en nøgle eller en specifik knopplade tilpasset netop dette låsehus. Trykhusene trækkes tilbage ved hjælp af trykket, hvilket gør det nemt at bruge.
Når der trykkes på opsætningsknappen, spærres drejefunktionen, så låsen ikke kan åbnes uden nøgle, hvilket skaber ekstra tryghed, når ingen er hjemme. Når låsen låses op med nøglen, aktiveres drejefunktionen automatisk, hvilket bidrager til smidig og bekvem adgang.
For at sikre, at Låshus 2002 bevarer sin sikkerhedsklasse (klasse 3), anbefales det at montere låsen med dobbelte runde cylindre. Hvis der er monteret knopper på indersiden af døren, anbefales en magnetisk knop for at garantere låsehusets funktion og sikkerhed.
Certificeringer og sikkerhed:
- SS-EN 12209 & SSF 3522 klasse 3: Låshus 2002 er certificeret efter SS-EN 12209 og SSF 3522 klasse 3, hvilket gør den til en godkendt låseanordning af forsikringsselskaber. Med en kroglineal, der er hærdet og forceret, sikres en stærk og holdbar forbindelse mellem dør og karm, der giver ekstra beskyttelse.
Egenskaber:
- Automatisk låsning: Krogtommelen låser automatisk med en 360° drejning af nøglen.
- Opsætningsknap: Blokerer knapfunktionen i stangen for øget sikkerhed ved fravær.
- Brandklassificerede døre: Låsen er særligt velegnet til brandklassificerede døre.
- Kombiner med elektriske endeplader: Kan nemt integreres med elektriske endeplader for øget sikkerhed og funktionalitet.
Specifikationer:
- Materiale: Galvaniseret stål
- Dorndybde: 50 mm
- Ophæng: Venstre til venstrehængte døre
- Kroglinealtykkelse: 9 mm
Sådan håndterer vi kundeanmeldelser
Vi sikrer, at vores produktanmeldelser kommer fra ægte kunder gennem følgende proces:
Efter hver leveret ordre sender vi et unikt link til kunden via e-mail. Gennem dette link kan kunden kun anmelde de specifikke produkter, der indgik i den pågældende ordre – ingen andre produkter kan anmeldes via det samme link. På anmeldelsessiden har kunden også mulighed for at bedømme os som forhandler. Denne metode garanterer, at alle anmeldelser kommer fra kunder, der faktisk har købt og modtaget de produkter, de anmelder.
Offentliggørelse af anmeldelserVi offentliggør alle anmeldelser, der overholder vores retningslinjer, uanset vurdering. Det betyder, at både positive og negative anmeldelser vises, så længe de ikke indeholder upassende sprog, personangreb eller mangler relevans.
Anmeldelser, der udelukkende vedrører leveringsproblemer (f.eks. forsinkelser), offentliggøres ikke på produktsiden, da de ikke vurderer selve produktet. Sådanne kommentarer kan dog gives i vurderingen af os som forhandler.
Beregning af gennemsnitlig vurderingDen gennemsnitlige vurdering for et produkt vises som et gennemsnit af alle offentliggjorte anmeldelser for netop det produkt.
Læs mere
- Meget for pengene & stort sortiment
- Udelukkende kvalitetsprodukter
- Betal 14 dage efter levering
- Hurtig levering!
- Flink kundeservice!
- Vores kvalificerede og imødekommende kundeservice står klar til at svare på alle spørgsmål til dit køb.
Ved at blive medlem accepterer du Hjemfint.dk Integritetspolicy.




